Profiles
Culture
Factory
History
Dongfeng Lier
Glatiramer acetate
Zhejiang Tiancheng
Changchun Fuwei'an Road Tuo
Dongfeng Yanfeng
Hefei Yanfeng
Shanghai CVG
Isling
Changzhou Huayang
Rizhao Guoqiao
Yutong
BAIC Heavy Truck
Seat lumbar support valve
Seat height valve
Quick charging and discharging valve
Seat lumbar support airbag
Electric waist support valve
Download PDF
Company news
Industry news
Contact Us
+86-13968217363
中文
English
Waist support side airbag
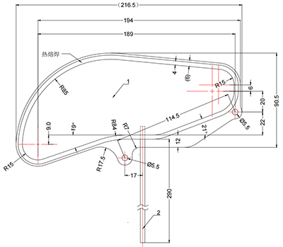
Dimensional Drawing
Related Products